1
/
의
2
ノリタケ(株)工業機材事業品部(砥石)
노리타케 금형의 달인 다이어 SDC170 350X32(U15) X127 1A0DPROM35010 1장
노리타케 금형의 달인 다이어 SDC170 350X32(U15) X127 1A0DPROM35010 1장
정가
¥141,329
정가
할인가
¥141,329
단가
/
단위
배송료는 결제 시 계산됩니다.
픽업 사용 가능 여부를 로드할 수 없습니다.
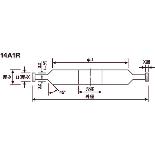
카탈로그 품번:1A0DPROM35010 특징: ●평면 연삭, 원통 연삭용 다이아몬드 레진 휠입니다. ● 지립의 유지력이 높기 때문에 안정된 예리함을 얻을 수 있습니다. ●고탄성률 본드의 채용에 의해, 지립의 침몰이 적고 예리함이 우수합니다. ● 초경과 강철의 동시 연삭 등도 가능합니다. 용도 : ● 초경합금, 비철 재료 (세라믹, 유리 등)의 연마 작업에. 사양: ●입도(#):170 ●연마재:SDC ●외경(mm):350 ●두께(mm):32(U15) ●구멍경(mm):127 ●숫돌주속(m/s):50 ●수주생산품 ●연마재:SDC ●연삭반용 ●아다스:14A1R mm 주의: ● 다이아몬드 공구는 올바른 사용법을 해 주시면 안전한 공구입니다. 그러나 잘못된 사용법이나 부주의한 기계의 취급을 하면 다이아몬드 공구의 파손에 연결됩니다. ●사용 전에 반드시 취급 설명서를 읽어 주시고, 안전 대책상, 사용시에는 반드시 기계 커버의 설치와, 작업시는 헬멧·보호 안경·안전 구두를 착용해 주세요. 먼지가 나오면 마스크를 착용하십시오.
전체 세부 정보 보기
