1
/
of
2
協育歯車工業(株)
KG Straight Miter Gear M80SU20-1605 M80SU 20-1605 1 pc
KG Straight Miter Gear M80SU20-1605 M80SU 20-1605 1 pc
Regular price
¥3,368
Regular price
Sale price
¥3,368
Unit price
/
per
Shipping calculated at checkout.
Couldn't load pickup availability
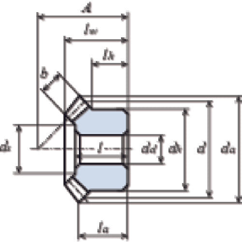
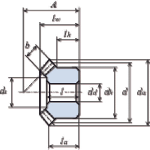
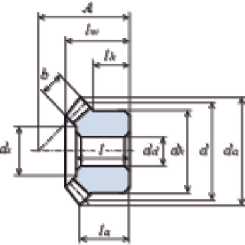
Catalog number: M80SU 20-1605 Features: ●Equivalent to old JIS grades 3 to 4. ●Bevel gears that are easy to modify. Applications: ●Used for general industrial machinery, food machinery, medical equipment, etc. Specifications: ●Module: 0.8 ●Number of teeth: 20 ●Reference circle diameter (mm): φ16 ●Assembly distance (mm): 16 ●Hole diameter (mm): φ5 ●Total length (mm): 11 ●Tooth width (mm): 3.7 ●Tooth tip circle diameter (mm): φφ17.13 ●Hub outer diameter (mm): φ12 ●Hub length (mm): 6 ●Tooth ratio: 1 ●Gear precision: JIS B 1704 grade 4 (excluding metal injection MIM miter gears) ●Pressure angle 20° ●Tooth ratio: 1:1 Material/Finish: ●SUS304 (stainless steel bar) Caution: ●For stainless steel (SUS304L), use in combination with metal injection MIM miter gears. ●If the mating gear is used in combination with a product from another company, malfunctions may occur.
View full details
