1
/
of
2
協育歯車工業(株)
KG Spiral Bevel Gear B1S 40R-10 Module 1.0 Pressure Angle 20 Degrees Number of Teeth 40 B1S 40R-10 1 pc
KG Spiral Bevel Gear B1S 40R-10 Module 1.0 Pressure Angle 20 Degrees Number of Teeth 40 B1S 40R-10 1 pc
Regular price
¥2,354
Regular price
Sale price
¥2,354
Unit price
/
per
Shipping calculated at checkout.
Couldn't load pickup availability
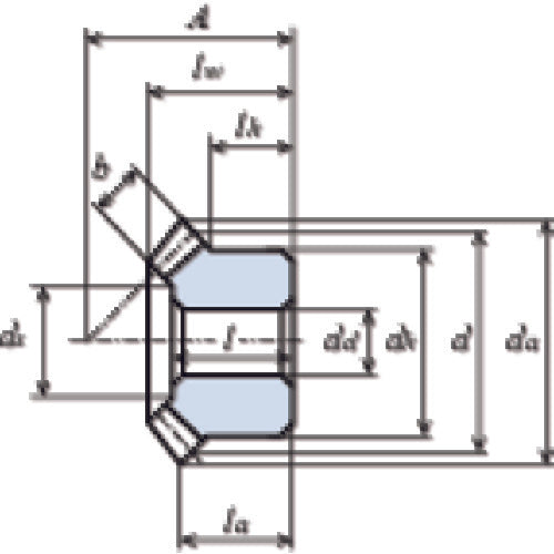
Catalog number: B1S 40R-10 Features: ● Bevel gear that is easy to modify. ● The end of the part number has been induction hardened. Applications: ● For use in general industrial machinery, food machinery, medical equipment, etc. Specifications: ●Tooth ratio: 1:2 ●Module: 1 ●Number of teeth: 40 ●Pitch diameter (mm): φ40 ●Tooth width (mm): 5.7 ●Hole diameter (mm): φ10 ●Total length (mm): 14.57 ●Tooth tip circle diameter (mm): φ40.41 ●Assembly distance (mm): 21.8 ●Hub outer diameter (mm): φ25 ●Hub length (mm): 8 ●Twist direction: R ●Hole length (mm): 13 ●Tooth tip angle: 65°36′ ●Hole diameter H7 (mm): 10 ●Assembly distance A (mm): 21.8 ●Gear precision: JIS B 1704 (ISO) Class 3 (High-frequency hardened product: Class 4) ●Twist angle 35° ●Pressure angle: 20° Material/Finish: ●S46C (Carbon steel for machine construction) Caution: ●Using the mating gear in combination with a product from another company may cause malfunction.
View full details
