1
/
of
3
パンドウイットコーポレーション
PANDUIT Insulated Ferrule Terminal (SingleWire DIN Standard) AWG24-22 Turquoise 500 Pieces FSD74-6-D FSD74-6-D 1 Box
PANDUIT Insulated Ferrule Terminal (SingleWire DIN Standard) AWG24-22 Turquoise 500 Pieces FSD74-6-D FSD74-6-D 1 Box
Regular price
¥9,662
Regular price
Sale price
¥9,662
Unit price
/
per
Shipping calculated at checkout.
Couldn't load pickup availability
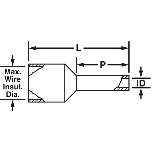
Catalog number: FSD74-6-D Features: ●The color of the polypropylene insulating sleeve conforms to German standards (DIN). ●Funnel insertion makes it easy to insert the wire. ●The terminal has no joints, preventing snagging when inserting twisted wires. Applications: ●For plug-in terminal blocks, etc. Specifications: ●Wire compatibility range Stranded wire [MM2]: 0.34 ●Wire clamping range Stranded wire (MM2): 0.511-0.643 ●Wire clamping range Nickel stranded wire (MM2): 0.511-0.643 ●Wire clamping range AWG: 24-22 ●Wire compatibility range AWG: 24-22 ●Color: Turquoise ●Total length (mm): 10.5 ●Stud diameter (mm): None ●Outer diameter (mm): 0.9 ●Inner dimension (mm): 0.8 ●L (mm): 10.5 ●Maximum insulation outer diameter (mm): 2.0 ●P (mm): 6.0 ●ID (mm): 0.8 ●Heat resistance temperature (℃): 105 ●Recommended tools: CT-1160, CT-1170 ●Single For wires. Suitable wire size (mm): AWG24, 0.34. For single wires. UL, CSA certified. Heat resistance (℃): 105℃. Stripping length (mm): 9.5. Maximum insulation outer diameter (mm): 2.0. Material/Finish: Copper (tin-plated) Polypropylene
View full details
