1
/
의
2
ハンマーキャスター(株)
해머 E 시리즈 고정식 고무 바퀴 65mm 스토퍼 부착 415ER-R65 1개
해머 E 시리즈 고정식 고무 바퀴 65mm 스토퍼 부착 415ER-R65 1개
정가
¥656
정가
할인가
¥656
단가
/
단위
배송료는 결제 시 계산됩니다.
픽업 사용 가능 여부를 로드할 수 없습니다.
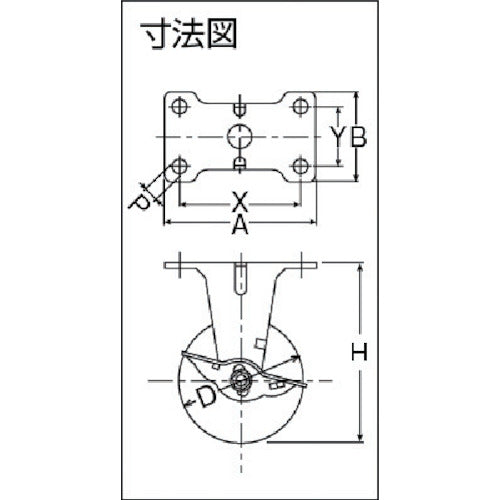
카탈로그 품번:415ER-R65 특징:●디자인성과 경쾌함이 요구되는 환경에서 폭넓게 사용되고 있습니다. ●RoHS 적합품입니다. 용도: ● 실내・외를 불문하고 올마이티인 경량 타입입니다. 사양:●바퀴 직경 D(mm):65 ●타입:고정식(스토퍼 부착) ●허용 하중(daN):30 ●허용 하중(kgf):30.6 ●바퀴 폭(mm):21 ●설치 높이 H(mm):82 ●설치좌 A(mm):70 ●설치좌 B(mm):42 P(mm):6.5 ●허용 하중(N):300 ●플레이트식 ●고정식(스토퍼 부착) 재질/마무리: ●금구: 스틸 ●금구 표면 처리: 크롬 도금 마무리 ●바퀴: 고무
전체 세부 정보 보기
