1
/
의
4
(株)ユーエイ キャスター事業部
유에이 앵글 자재 캐스터 고무 바퀴 지름 100mm S타입 SA형 설치 치수 20×21,16 SA-100W 1개
유에이 앵글 자재 캐스터 고무 바퀴 지름 100mm S타입 SA형 설치 치수 20×21,16 SA-100W 1개
정가
¥1,684
정가
할인가
¥1,684
단가
/
단위
배송료는 결제 시 계산됩니다.
픽업 사용 가능 여부를 로드할 수 없습니다.
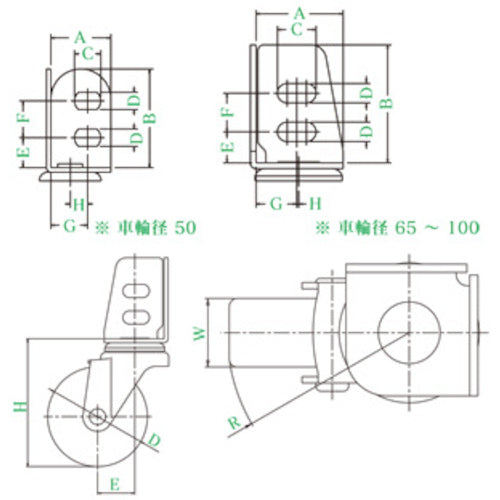
카탈로그 품번:SA-100W 특징:●앵글에의 설치를 간단하게 할 수 있습니다. ● 주행성이 뛰어난 고무 바퀴를 사용하고 있습니다. 용도: ● 앵글식 선반이나 경하중 기기 운반에. 사양:●차륜 지름 D(mm):100●타입:자재식 ●허용하중(daN):90●허용하중(kgf):91.8●차륜폭(mm):32●설치고H(mm):132●허용하중(N):900●앵글타입
전체 세부 정보 보기
