1
/
의
2
シグマ光機
로드 φ12mm(C1.5) A60mm ROU-12-60 1개
로드 φ12mm(C1.5) A60mm ROU-12-60 1개
정가
¥990
정가
할인가
¥990
단가
/
단위
배송료는 결제 시 계산됩니다.
픽업 사용 가능 여부를 로드할 수 없습니다.
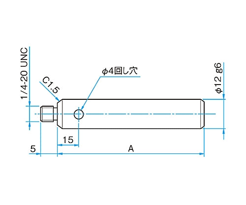
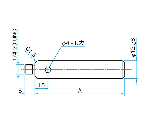
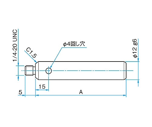
스테인리스제의 지주(로드)입니다.
한쪽 끝에 M4 혹은 M6의 수나사가 붙어 있는 (RO) 타입과 인치 나사의 수나사 1/4-20UNC가 붙어 있는 (ROU) 타입, M4의 수나사가 붙어 있는 (ROC) 3 타입이 있습니다.
측면의 관통 구멍은 홀더 등에 고정할 때 렌치 등을 구멍에 통과시켜 쉽게 체결할 수 있습니다.
ROU 타입은 카메라 등에 연결하여 사용할 수 있습니다.
고안정성 로드 스탠드:BRS, 로드 스탠드:RS[<로드> 공통 사양]
주요 재질: 스테인리스
표면 처리: 없음
【개별 사양】
외경:φ12mm(C1.5)
A: 60mm
질량: 0.05kg
RoHS 적합품
전체 세부 정보 보기
