1
/
의
4
児玉工業(株)
고다마 공업 압착 소켓 강관 직관 전용형 하프 사이즈 50A 1/2 L50AX0.5 1개
고다마 공업 압착 소켓 강관 직관 전용형 하프 사이즈 50A 1/2 L50AX0.5 1개
정가
¥7,920
정가
할인가
¥7,920
단가
/
단위
배송료는 결제 시 계산됩니다.
픽업 사용 가능 여부를 로드할 수 없습니다.
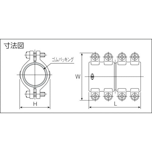
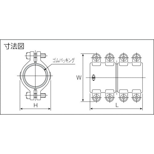
카탈로그 품번:L50AX0.5 특징:●파이프의 내용물을 빼지 않고, 운전중에 누설 방지를 할 수 있기 때문에, 설비의 가동 정지나, 에어 빼기 등은 일절 불필요합니다. ●설치나 체결은 매우 간단하고, 나사를 조이는 것만이므로, 5~10분으로 작업은 완료합니다. 용도: ●운전이 멈출 수 없는 호텔・맨션・병원・공장 등의 긴급시의 보수. ●운전이 멈출 수 없는 호텔・맨션・병원・공장 등의 긴급시의 보수에. ●물이나 기름의 누설에 대해서, 운전을 멈추지 않고 실시하는 긴급 보수용. 사양:●호칭 지름 A:50●호칭 지름 B:2●사이즈(mm)L×W×H:60×117×79●적합 육각 렌치(mm):8●타입:하프●내압력:2Mpa 고니트릴 고무 세트 내용/부속품: ●65A 이상은 육각 렌치와 파이프 핸들이 부속
전체 세부 정보 보기
