1
/
의
3
(株)栃木屋
도치기야 무게용 평형 경첩 TH-124-3 1개
도치기야 무게용 평형 경첩 TH-124-3 1개
정가
¥4,277
정가
할인가
¥4,277
단가
/
단위
배송료는 결제 시 계산됩니다.
픽업 사용 가능 여부를 로드할 수 없습니다.
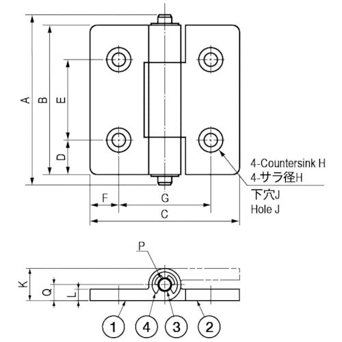
카탈로그 품번:TH-124-3 특징: ●중량용의 스테인리스 경첩입니다. 용도:●배전반・분전반・각종 시험장치 등 사양:●전장(mm):85●폭(mm):75●두께(mm):6●나사 구멍수:4●홀 직경(mm):Φ7●내하중(kg) 2개 사용시: 80●표면 처리: 버프 연마 ●하 구멍 직경(mm):Φ7.0●사라 mm):40●F(mm):12.5●G(mm):50●K(mm):16●P(mm):Φ8●Q(mm):8●RoHS2 대응 재질/마무리: ●SCS13
전체 세부 정보 보기
