1
/
의
2
(株)水本機械製作所
미즈모토 아이 플레이트 스테인리스 롱 아이 30mm×120mm B-1893 1개
미즈모토 아이 플레이트 스테인리스 롱 아이 30mm×120mm B-1893 1개
정가
¥1,931
정가
할인가
¥1,931
단가
/
단위
배송료는 결제 시 계산됩니다.
픽업 사용 가능 여부를 로드할 수 없습니다.
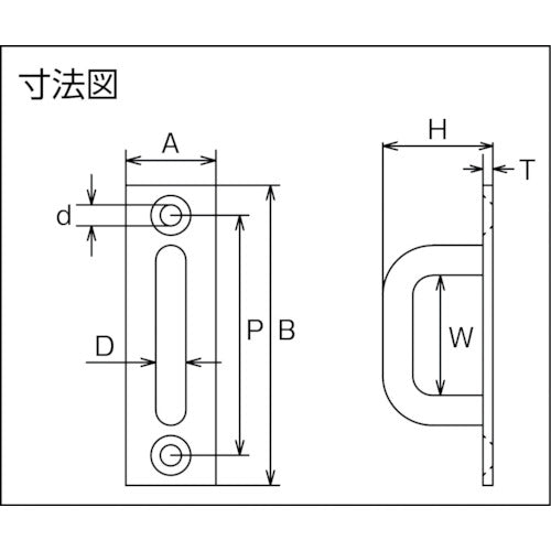
카탈로그 품번:B-1893 특징: ●폭이 있는 벨트상의 것을 통과하기 쉬운 형상입니다. 용도: ● 지주나 벽면 등에의 설치에. 사양:●사용 하중(kN):0.98●A(mm):30●D(mm):10●B(mm):120●H(mm):31●P(mm):100.0●W(mm):60●d(mm):6.2●h(mm):31●T(mm):4 재질/마무리
전체 세부 정보 보기
