1
/
의
3
エバオン(株)
EVN 부싱 풀리 SPA 112mm 홈수 3 SPA112-3 1개
EVN 부싱 풀리 SPA 112mm 홈수 3 SPA112-3 1개
정가
¥4,060
정가
할인가
¥4,060
단가
/
단위
배송료는 결제 시 계산됩니다.
픽업 사용 가능 여부를 로드할 수 없습니다.
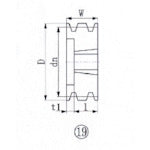
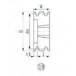
카탈로그 품번:SPA112-3 특징:●축 구멍·키 홈 가공 등이 불필요해져, 납기 관리가 용이해집니다. ●적용 부싱 1610 용도:●벨트 전도에 의한 변속에. 사양: ● 데이텀 직경(mm): 112 ● 홈 수: 3 ● 적합 부싱: 2012 ● 도면 번호: 19 ● 적합 벨트: A, SPA 재질/마무리: ● 회주철
전체 세부 정보 보기
