1
/
의
4
ロームヘルド・ハルダー(株)
HALDER 요동 패드 M5 길이 25 22730.0428 1개
HALDER 요동 패드 M5 길이 25 22730.0428 1개
정가
¥9,685
정가
할인가
¥9,685
단가
/
단위
배송료는 결제 시 계산됩니다.
픽업 사용 가능 여부를 로드할 수 없습니다.
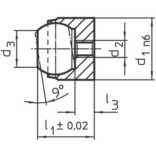
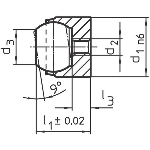
카탈로그 품번:22730.0428 특징:●최대 9도까지 워크의 면이 되어 요동합니다. ● 패드의 반전 방지 부착입니다. 용도 : ● 스토퍼, 위치 결정, 지원, 스러스트 패드 등. ●고정 지그의 워크와의 접촉 부품에. 사양:●높이(mm):25 ●볼트 지름(mm):M5 (mm):M5●본체 길이 l1 (mm):25●핀 길이 l3 (mm):5.5●내하중 max.(정하중시 kN):90●체결 토크 max. 베어링 강, 담금질, 표면 처리 없음
전체 세부 정보 보기
