1
/
의
3
片山チエン(株)
KANA FB 스프로킷 60 톱니 수 20 외경 132 축 구멍 직경 25 FBN60B20D25 1개
KANA FB 스프로킷 60 톱니 수 20 외경 132 축 구멍 직경 25 FBN60B20D25 1개
정가
¥2,917
정가
할인가
¥2,917
단가
/
단위
배송료는 결제 시 계산됩니다.
픽업 사용 가능 여부를 로드할 수 없습니다.
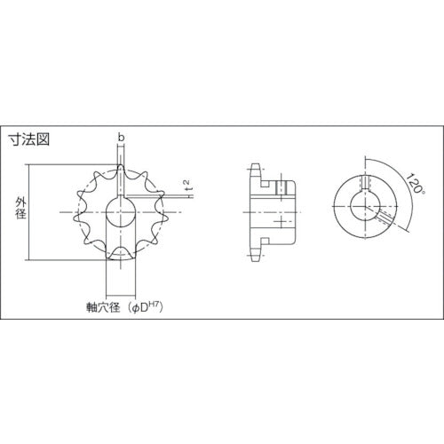
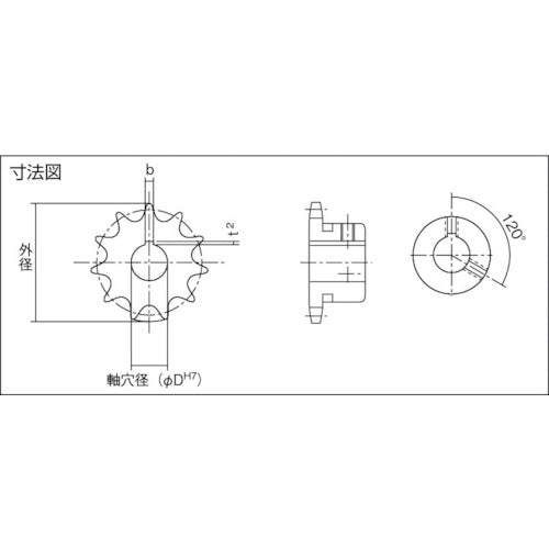
카탈로그 품번:FBN60B20D25 특징:●축 구멍, 키 홈 가공, 세트 스크류, 나사도 붙은 가공제 제품입니다. 즉시 사용할 수 있으며 설정 시간을 단축합니다. ●확실한 품질・안정한 정밀도가 있습니다. 축 구멍, 키 홈, 세트 스크류는 모두 JIS 공차 내에 가공되어 있어 트러블의 걱정이 없습니다. ●신 JIS 키 홈 사양입니다. 사양:●치수:20 ●외경(mm):132 ●축 구멍 직경(mm):25 ●보스 직경(mm):83 ●보스 길이(mm):40 ●적합 체인:No. 귀신
전체 세부 정보 보기
