1
/
의
2
協育歯車工業(株)
KG 【매진 폐번】치연 노백래시 NSG80S 70B+0810 NSG80S 70B+0810 1개
KG 【매진 폐번】치연 노백래시 NSG80S 70B+0810 NSG80S 70B+0810 1개
정가
¥24,678
정가
할인가
¥24,678
단가
/
단위
배송료는 결제 시 계산됩니다.
픽업 사용 가능 여부를 로드할 수 없습니다.
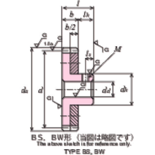
카탈로그 품번:NSG80S 70B+0810 특징:●2장의 기어로 상대 기어의 이를 스프링의 힘으로 끼워 넣어, 백래시(치면간의 놀이)를 없애고 있기 때문에 「놀이」가 없습니다. ●정밀 기기, 계측 기기, 로봇 관련, 각도 전달에 최적입니다. 용도: ● 인코더의 분해능 UP(기어로 회전을 증폭하여 측정). ●・고정밀한 위치 결정(백래시에 의한 위치 어긋남 방지). ●・고정밀한 인덱싱(백래시에 의한 정・역전시의 각도 어긋남 방지). ●・진동이 있는 회전 전달부의 기어음 대책(백래시에 의한 치면의 두드리는 소리를 방지). 사양:●모듈:0.8●치수:70●형상:BS●기준원직경(mm):φ56●치폭(mm):8●홀경(mm):φ10●전체길이(mm):18●허브외경(mm):φ20●치끝원직경(mm):φ57.6●설치나사 M:M5●설치나사 : 20 ° 재질 / 마무리 : ● SCM435, SCM440 (크롬 몰리브덴 강) 세트 내용 / 부속품 : ● 세트 스크류 ● 세트 스크류 주의 : ● 당사 종합 카탈로그의 KG 기어 정보를 참조하십시오.
전체 세부 정보 보기
