1
/
의
2
協育歯車工業(株)
KG S45C평 기어 S1S 60A-1010F 모듈 1.0 압력각 20도(병치) 톱니수 60 형상 A1 S1S 60A-1010F 1개
KG S45C평 기어 S1S 60A-1010F 모듈 1.0 압력각 20도(병치) 톱니수 60 형상 A1 S1S 60A-1010F 1개
정가
¥1,500
정가
할인가
¥1,500
단가
/
단위
배송료는 결제 시 계산됩니다.
픽업 사용 가능 여부를 로드할 수 없습니다.
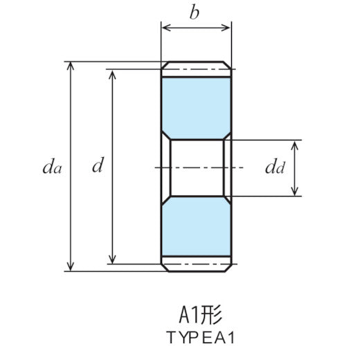
카탈로그 품번:S1S 60A-1010F 특징:●소형 정밀 기어입니다. ●품번 말미 H는, 치부 고주파 소입제입니다. 사용: ● 일반 산업 기계, 의료 기기, 식품 기계에 사용. 사양:●모듈:1●치수:60●형상:A1●기준원직경(mm):φ60●치폭(mm):10●홀경(mm):φ10●치끝원직경:φ62●전장(mm):10●치선원직경(mm):φ62 ●기어정도:JIS B 1702-1(ISO 모서리: 20° 재질/마무리: ●S45C(기계 구조용 탄소강)
전체 세부 정보 보기
