1
/
의
3
サンコーインダストリー(株)
SUNCO 유니클로(+) 나베탈락 방지 나사 5×15×5 (800개입) 00-00-J050-0050X0150-01 1상자
SUNCO 유니클로(+) 나베탈락 방지 나사 5×15×5 (800개입) 00-00-J050-0050X0150-01 1상자
정가
¥16,699
정가
할인가
¥16,699
단가
/
단위
배송료는 결제 시 계산됩니다.
픽업 사용 가능 여부를 로드할 수 없습니다.
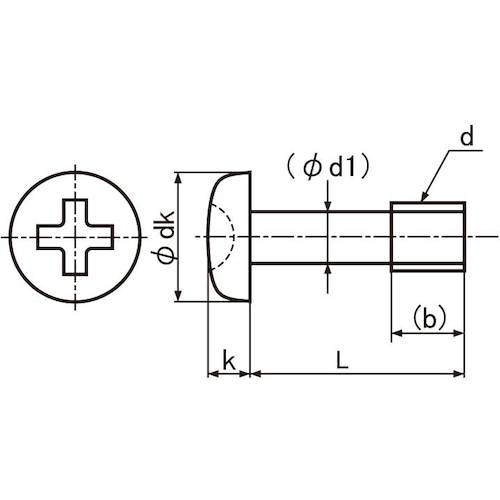
카탈로그 품번:00-00-J050-0050X0150-01 특징:●몸통부가 나사부보다 가늘고, 나사 구멍에 걸리기 때문에, 나사가 탈락하지 않습니다. ● 커버 분리 등 시에 나사의 탈락 방지를 방지할 수 있습니다. 용도: ●기기・장치등의 보호 커버나 점검 커버의 고정에. ● 커버 분리시의 나사의 탈락 방지에. 사양:●치수(mm)d:M5●치수(mm)L:15 ●나사 피치(mm):0.8 ●강도 구분:4.8 상당 ●적합 드라이버:플러스 No.2 ●두부 직경(mm):9 ●두부 두께(mm):3.3 ●나사부 길이(mm): 당 재질/마무리: ●철 ●표면 처리: 유니크롬 도금 마무리
전체 세부 정보 보기
