1
/
の
2
(株)スター精機アインツ事業部
アインツ ツールチェンジャー・ロボット側 OX-LBN 1 個
アインツ ツールチェンジャー・ロボット側 OX-LBN 1 個
通常価格
¥49,544
通常価格
セール価格
¥49,544
単価
/
あたり
(税込み)
受取状況を読み込めませんでした
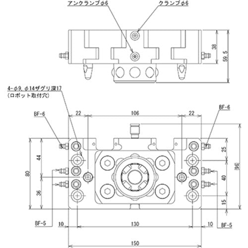
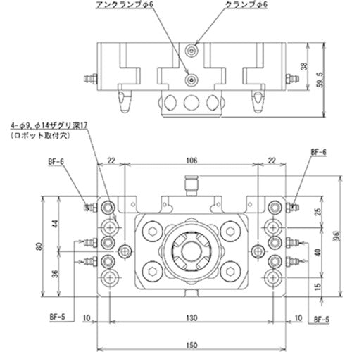
カタログ品番:OX-LBN 特長:●独自の離脱機構搭載です。(特許第4126074号)●フェールセーフ機構内蔵です。●ロボットハンドを短時間で簡単に交換できます。●エアーチェッキ弁内蔵です。(ロボット側)●エアーオプションの追加が可能です。 仕様:●タイプ:ロボット側●幅(mm):150●奥行(mm):59.5●高さ(mm):95●可搬重量(kg):〜35●引込力/押出力(N):4000/750●可搬重量:〜35kg●使用空気圧:0.5〜0.7MPa●連結時の厚み:60mm●コネクター無し●配管接続:6回路(M5)●位置再現精度:±0.02mm 材質/仕上:●超ジュラルミン
詳細を表示する
