1
/
の
3
(株)オンダ製作所
オンダ製作所 フリーボールML3型 R1/4 × R1/4 ML3-08 1個
オンダ製作所 フリーボールML3型 R1/4 × R1/4 ML3-08 1個
通常価格
¥1,048
通常価格
セール価格
¥1,048
単価
/
あたり
(税込み)
受取状況を読み込めませんでした
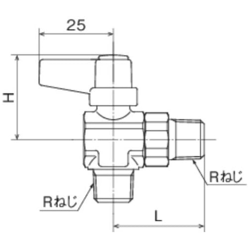
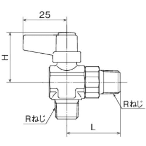
カタログ品番:ML3-08 特長:●省スペースボールバルブです。●配管都合によりハンドル位置・開閉方向を自由に変更できます。 用途:●冷温水・油・空気用。 仕様:●高さ(mm):29●使用温度範囲(℃):-20〜80●最高許容圧力(MPa):1.0●全長(mm):30.5●適合流体:冷温水・油・エアー●内径(mm):6●ハンドル長D(mm):25●呼び径A:8●呼び径B:R1/4 x R1/4●呼び径A:8●呼び径B:1/4●適合流体:冷温水・油・エアー●許容圧力:1.0MPa(-20〜80℃)●Rねじ×Rねじ 材質/仕上:●黄銅(C3771BE)
詳細を表示する
