商品情報にスキップ
1 2

ノリタケ(株)工業機材事業品部(砥石)

ノリタケ 金型の達人ダイヤ SDC170 300X25(U20)X76.2 1A0DPROM30050 1 枚

ノリタケ 金型の達人ダイヤ SDC170 300X25(U20)X76.2 1A0DPROM30050 1 枚

JAN:4962356707025  
通常価格 ¥146,167
通常価格 セール価格 ¥146,167
セール 売り切れ
(税込み)
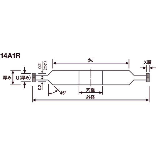
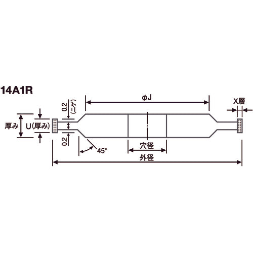
カタログ品番:1A0DPROM30050 特長:●平面研削、円筒研削用ダイヤモンドレジンホイールです。●砥粒の保持力が高い為、安定した切れ味が得られます。●高弾性率ボンドの採用により、砥粒の沈み込みが少なく切れ味が優れています。●超硬と鋼の同時研削なども可能です。 用途:●超硬合金、非鉄材料(セラミックス、ガラス等)の研磨作業に。 仕様:●粒度(#):170●砥材:SDC●外径(mm):300●厚さ(mm):25(U20)●穴径(mm):76.2●砥石周速(m/s):50●受注生産品●研削盤用●アイダス:14A1R●集中度:75●結合材:B●X層(mm):3●ΦJ(mm):200 注意:●ダイヤモンド工具は、正しい使い方をしていただければ安全な工具です。しかし、誤った使い方や不注意な機械の取り扱いをされますと、ダイヤモンド工具の破損に結びつきます。●ご使用前に必ず取扱説明書をお読みいただき、安全対策上、ご使用の際には必ず機械カバーの取付けと、作業時はヘルメット・保護メガネ・安全靴を着用してください。ほこりが出る場合はマスクを着用してください。
詳細を表示する

当日出荷 100万商品 !!

医療・産業機器から生活用品まで、幅広いジャンルの商品を取り揃え、カテゴリ数は2万3千件以上。今すぐ欲しい商品が見つかります!
お求めの商品はサイト内の検索機能、またはお気軽にチャットでご相談ください。迅速で丁寧なサポートをご提供いたします。