1
/
の
2
(株)水本機械製作所
水本 アイプレート ステンレス ロングアイ 12mm×36mm B-1892 1 個
水本 アイプレート ステンレス ロングアイ 12mm×36mm B-1892 1 個
通常価格
¥422
通常価格
セール価格
¥422
単価
/
あたり
(税込み)
受取状況を読み込めませんでした
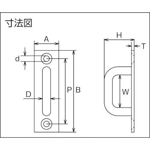
カタログ品番:B-1892 特長:●幅のあるベルト状のものを通しやすい形状です。 用途:●支柱や壁面などへの取り付けに。 仕様:●使用荷重(kN):0.07●A(mm):12●D(mm):4●B(mm):36●H(mm):16●P(mm):28.0●W(mm):12●d(mm):3.2●h(mm):16●T(mm):2 材質/仕上:●ステンレス(SUS304)
詳細を表示する
