1
/
の
2
(株)水本機械製作所
水本 ステンレス ネジ止めリングキャッチ 線径5mm 長さ42mm B-743 1 個
水本 ステンレス ネジ止めリングキャッチ 線径5mm 長さ42mm B-743 1 個
通常価格
¥1,452
通常価格
セール価格
¥1,452
単価
/
あたり
(税込み)
受取状況を読み込めませんでした
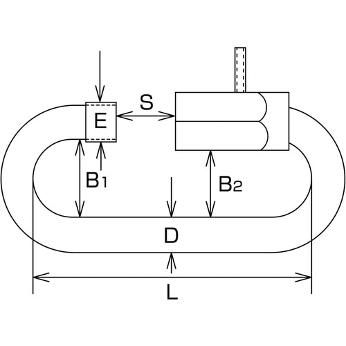
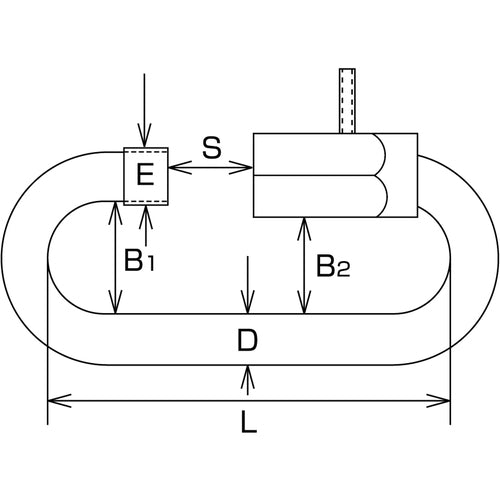
カタログ品番:B-743 特長:●六角穴付き止めねじ(ホロねじ)でロックするので、ナットが外れにくくなっています。●ねじを緩めて再び開くこともできます。 用途:●チェーン・ワイヤ・ロープなどの連結や、端末の金具のジョイントに。 仕様:●使用荷重(kN):0.78●レンチサイズ(mm):1.5●D(mm):5●L(mm):42●S(mm):8.5●B1(mm):13●B2(mm):11.5●E(mm):5.4●両ねじタイプ●六角レンチ使用 材質/仕上:●ステンレス(SUS304)
詳細を表示する
