1
/
の
2
(株)水本機械製作所
水本 Uボルト ステンレス Uカン 線径8mm A-2901 1 個
水本 Uボルト ステンレス Uカン 線径8mm A-2901 1 個
通常価格
¥305
通常価格
セール価格
¥305
単価
/
あたり
(税込み)
受取状況を読み込めませんでした
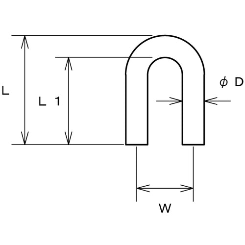
カタログ品番:A-2901 特長:●U字に曲げたステンレス丸棒です 用途:●カシメたり、溶接したりして様々の用途に 仕様:●D(mm):8●L(mm):38●L1(mm):30●W(mm):20 材質/仕上:●ステンレス(SUS304)
詳細を表示する
