1
/
の
2
(株)カクダイ
KAKUDAI トラップU管 0434-25 1 個
KAKUDAI トラップU管 0434-25 1 個
通常価格
¥2,917
通常価格
セール価格
¥2,917
単価
/
あたり
(税込み)
受取状況を読み込めませんでした
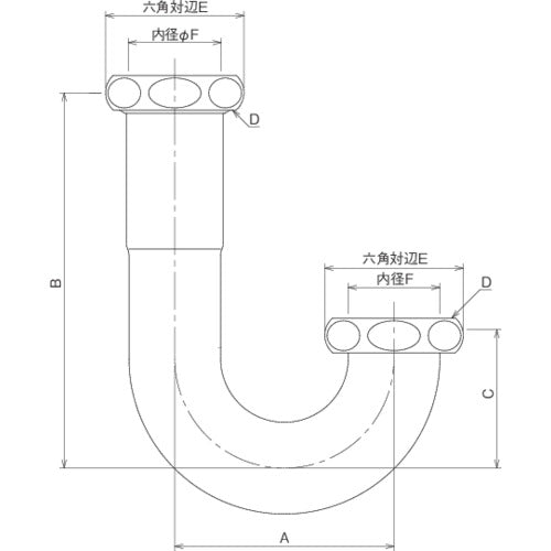
カタログ品番:0434-25 特長:●テール管で排水位置の調整が出来ないとき、トラップU管を使えば位置を調整することができます。 用途:●洗面・手洗の排水用に 仕様:●A(mm):60.0●B(mm):74.0●C(mm):41.0●D:W32山16●E(mm):36.0●F(mm):26.2●G(mm):40.0●テール管側:さしこみ/パッキン・ナット付き●キセル・ステッキ管側:平パッキン・ナット付き 材質/仕上:●黄銅
詳細を表示する
