1
/
の
2
片山チエン(株)
KANA カップリングスプロケットホンタイ 使用チェーンピッチ12.7mm 4014H 1 S
KANA カップリングスプロケットホンタイ 使用チェーンピッチ12.7mm 4014H 1 S
通常価格
¥2,660
通常価格
セール価格
¥2,660
単価
/
あたり
(税込み)
受取状況を読み込めませんでした
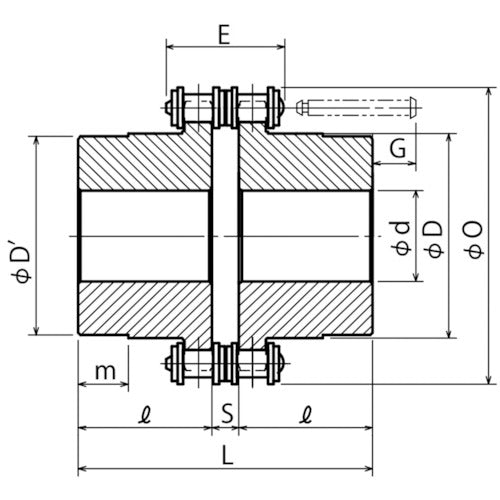
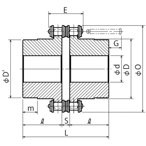
カタログ品番:4014H 特長:●異なったシャフト径の動力を伝達することができます。●チエーンカップリングスプロケット2個と専用ローラチェーンのセットです。 用途:●各種機器の伝動用・駆動用。 仕様:●軸径範囲 最大(mm):28●軸径範囲 最小(下穴H10)(mm):14(12)●使用チェーンピッチ(mm):12.7●使用チェーン最大幅(mm):32●本体寸法S(mm):7.4●本体寸法O(mm):69●本体寸法m(mm):9●本体寸法L(mm):79.4●本体寸法l(mm):36●本体寸法G(mm):11●本体寸法D'(mm):43●本体寸法D(mm):45●適合ケース:4014C●概略重量(kg):1.1●チエーンカップリング本体 材質/仕上:●スプロケット:機械構造用炭素鋼、熱処理:歯先高周波焼き入れ●ローラチェーン:鉄 セット内容/付属品:●チェーンカップリングスプロケット×2●ローラーチェーン×1
詳細を表示する
