1
/
の
2
協育歯車工業(株)
KG ストレートベベルギヤ B50S 40 B50S 40 1 個
KG ストレートベベルギヤ B50S 40 B50S 40 1 個
通常価格
¥2,038
通常価格
セール価格
¥2,038
単価
/
あたり
(税込み)
受取状況を読み込めませんでした
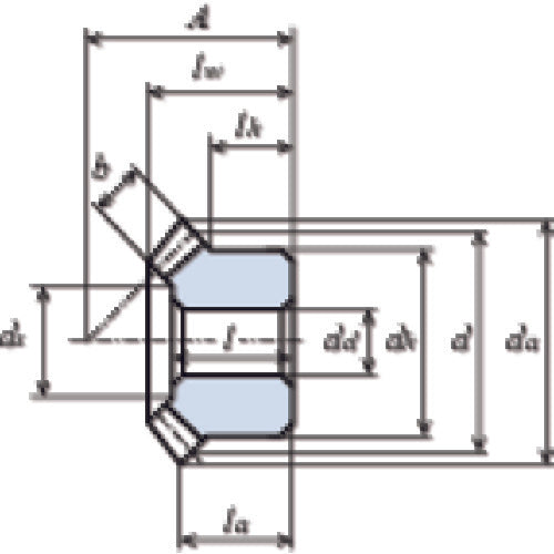
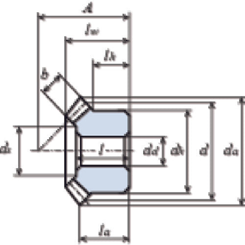
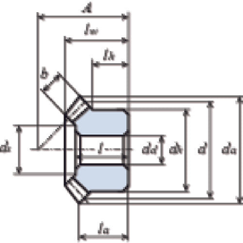
カタログ品番:B50S 40 特長:●追加工がしやすいかさ歯車です。●品番末尾Hは、歯部高周波焼入品です。 用途:●一般産業機械、食品機械、医療機器などに使用。 仕様:●歯数比:2●モジュール:0.5●歯数:40●基準円直径(mm):φ20●歯幅(mm):3.2●穴径(mm):φ4●全長(mm):7.31●歯先円直径(mm):φ20.45●組立距離(mm):10.56●ハブ外径(mm):φ12●ハブ長さ(mm):4.0●歯車精度:JIS B 1704(ISO) 3級(歯部高周波焼入品:4級)●圧力角:20°●ねじれ角35° 材質/仕上:●S45C(機械構造用炭素鋼) 注意:●相手歯車を弊社以外の商品と組み合わせて使用されますと不具合が発生する恐れがあります。
詳細を表示する
