1
/
の
2
協育歯車工業(株)
KG ストレートマイタギヤ M1SU30−2608 M1SU 30-2608 1 個
KG ストレートマイタギヤ M1SU30−2608 M1SU 30-2608 1 個
通常価格
¥6,336
通常価格
セール価格
¥6,336
単価
/
あたり
(税込み)
受取状況を読み込めませんでした
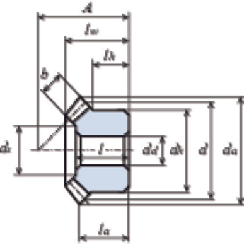
カタログ品番:M1SU 30-2608 特長:●旧JIS約3〜4級相当です。●追加工がしやすいかさ歯車です。 用途:●一般産業機械、食品機械、医療機器等に使用。 仕様:●モジュール:1●歯数:30●基準円直径(mm):φ30●組立距離(mm):26●穴径(mm):φ8●全長(mm):15.89●歯幅(mm):6.2●歯先円直径(mm):φ31.41●ハブ外径(mm):φ22●ハブ長さ(mm):8.9●歯数比:1●歯車精度:JIS B 1704 4級(金属射出MIMマイタは除く)●圧力角20° 材質/仕上:●SUS304(ステンレス鋼棒) 注意:●材質ステンレス(SUS304L)においては、金属射出MIMマイタギヤ同士での組み合わせでご使用ください。●相手歯車を弊社以外の商品と組み合わせて使用されますと不具合が発生する恐れがあります。
詳細を表示する
