1
/
の
2
協育歯車工業(株)
KG スパイラルマイタギヤ M1S30R−2610 M1S30R-2610 1 個
KG スパイラルマイタギヤ M1S30R−2610 M1S30R-2610 1 個
通常価格
¥1,870
通常価格
セール価格
¥1,870
単価
/
あたり
(税込み)
受取状況を読み込めませんでした
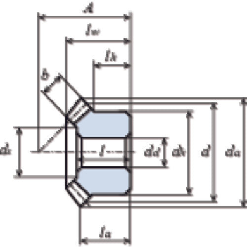
カタログ品番:M1S30R-2610 特長:●品番末尾Hは、高周波焼入済みです。 用途:●一般産業機械、食品機械、医療機器等に使用。 仕様:●モジュール:1●歯数:30●基準円直径(mm):φ30●組立距離(mm):26●穴径(mm):φ10●全長(mm):15.67●歯幅(mm):6.2●歯先円直径(mm):φ31.09●ハブ外径(mm):φ22●ハブ長さ(mm):9●ねじれ方向:R●穴長さ(mm):14.5●歯数比:1●歯先角:48°21′●歯車精度:JIS B 1704(ISO) 3級(高周波焼入品:4級)●圧力角:20°●ねじれ角35° 材質/仕上:●S45C(機械構造用炭素鋼) 注意:●相手歯車を弊社以外の商品と組み合わせて使用されますと不具合が発生する恐れがあります。
詳細を表示する
