1
/
の
2
協育歯車工業(株)
KG 【売切廃番】歯研ノーバックラッシ NSG50S 90B+0810 NSG50S 90B+0810 1 個
KG 【売切廃番】歯研ノーバックラッシ NSG50S 90B+0810 NSG50S 90B+0810 1 個
通常価格
¥21,592
通常価格
セール価格
¥21,592
単価
/
あたり
(税込み)
受取状況を読み込めませんでした
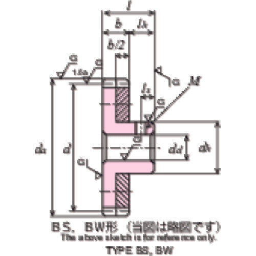
カタログ品番:NSG50S 90B+0810 特長:●2枚の歯車で相手歯車の歯をバネの力で挟み込み、バックラッシ(歯面間の遊び)を無くしているので「遊び」がありません。●精密機器、計測機器、ロボット関連、角度伝達に最適です。 用途:●エンコーダーの分解能UP(ギヤで回転を増幅して測定)。●・高精度な位置決め(バックラッシによる位置ずれ防止)。●・高精度な割り出し(バックラッシによる正・逆転時の角度ずれ防止)。●・振動が有る回転伝達部のギヤ音対策(バックラッシによる歯面の叩き音を防止)。 仕様:●モジュール:0.5●歯数:90●形状:BS●基準円直径(mm):φ45●歯幅(mm):8●穴径(mm):φ10●全長(mm):16●ハブ外径(mm):φ20●歯先円直径(mm):φ46●取付ねじM:M4●取付ねじls:4●ハブ長さ(mm):8●歯形:並歯●圧力角:20° 材質/仕上:●SCM435、SCM440(クロムモリブデン鋼) セット内容/付属品:●セットスクリュー●セットスクリュー 注意:●弊社総合カタログのKGギヤ・インフォメーションをご参照願います。
詳細を表示する
