1
/
の
2
協育歯車工業(株)
KG S45C平歯車 S1S 60A−0610F モジュール1.0 圧力角20度(並歯) 歯数60 形状A1 S1S 60A-0610F 1 個
KG S45C平歯車 S1S 60A−0610F モジュール1.0 圧力角20度(並歯) 歯数60 形状A1 S1S 60A-0610F 1 個
通常価格
¥1,362
通常価格
セール価格
¥1,362
単価
/
あたり
(税込み)
受取状況を読み込めませんでした
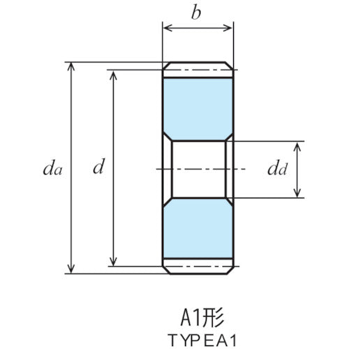
カタログ品番:S1S 60A-0610F 特長:●小型精密歯車です。●品番末尾Hは、歯部高周波焼入済です。 用途:●一般産業機械、医療機器、食品機械に使用。 仕様:●モジュール:1●歯数:60●形状:A1●基準円直径(mm):φ60●歯幅(mm):6●穴径(mm):φ10●歯先円直径:φ62●全長(mm):6●歯先円直径(mm):φ62●歯車精度:JIS B 1702-1(ISO) 8級(歯部高周波焼入品:9級)●歯形:並歯●圧力角:20° 材質/仕上:●S45C(機械構造用炭素鋼)
詳細を表示する
