1
/
の
6
(株)タブチ
TBC ライトエアー メスチーズ AIR25-3/4FT 1 個
TBC ライトエアー メスチーズ AIR25-3/4FT 1 個
通常価格
¥1,606
通常価格
セール価格
¥1,606
単価
/
あたり
(税込み)
受取状況を読み込めませんでした
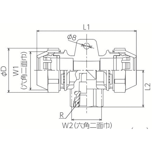
カタログ品番:AIR25-3/4FT 特長:●パイプが軽量です。●パイプの切断が簡単、ねじ切り不要ならくらく施工。●パイプは曲げることが出来、その形状を保持できます。●耐食性に優れた配管です。 用途:●圧縮空気(低圧用) 仕様:●接続口径D:Rc3/4●呼び径:25●呼び径(mm):25●最高使用圧力(MPa):1.0未満●適合パイプ呼び径(mm):25●タイプ:チーズ●使用流体:圧縮空気(低圧用)●六角対辺W1(mm):56●六角対辺W2(mm):47.5●使用流体:圧縮空気(低圧用)●使用温度:0〜60℃●最高使用圧力:1.0MPa未満 材質/仕上:●ポリアセタール(POM)
詳細を表示する
